Доставка завтра - 300 ₽
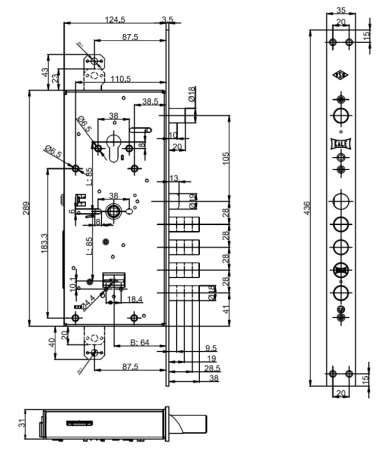
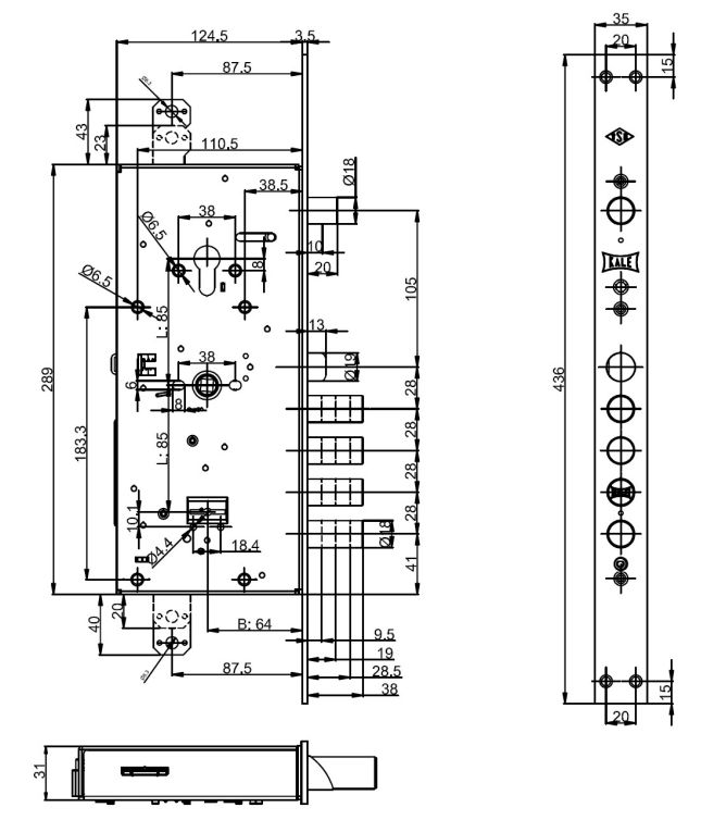
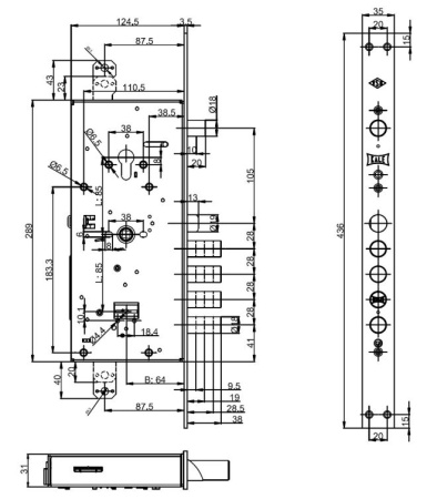
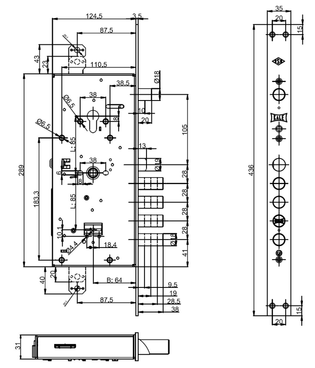
ПЕРВОНАЧАЛЬНАЯ И ПОСЛЕДУЮЩИЕ ПЕРЕКОДИРОВКИ ЗАМКА
Новый замок закодирован на работу с установочным ключом (ключ с оранжевой головкой). Используйте установочный ключ при монтаже замка в дверь. Передача этого ключа посторонним лицам (установщику двери, слесарю) не ведёт к снижению безопасности.
После установки замка в дверь и проверки его работоспособности обязательно перекодируйте замок на работу с основным комплектом ключей.
Для этого необходимо:
1) при открытой двери четырьмя полными оборотами установочного ключа полностью выдвинуть ригели замка наружу, т. е. полностью закрыть замок;
2) вставить в отверстие под нижним ригелем рычаг для перекодировки замка;
3) нажать на рычаг до упора и повернуть его против часовой стрелки до щелчка, при этом ригели должны выдвинуться наружу ещё на 1-2 мм;
4) ключом из основного комплекта полностью ввести ригели в корпус замка, т. е. полностью открыть замок;
5) проверить работоспособность замка с основным ключом с обеих сторон двери при открытой двери.
После перекодировки замка на основные ключи, установочный ключ больше не работает и его можно утилизировать.
При необходимости замены основного комплекта ключей замка (последующей перекодировки) повторите вышеизложенные действия, при этом в роли установочного ключа будет выступать ключ из старого комплекта. Количество возможных перекодировок замка не ограничено.
ВНИМАНИЕ! Во избежание заклинивания замка при проведении операции перекодировки никогда не пытайтесь проводить перекодировку замка перевернув его ригелями вверх и не нажимайте на ригели в процессе перекодировки.
В случае, если заклинивание всё-таки произошло, нажмите рычагом для перекодировки в отверстие под нижним ригелем и с усилием вытяните ригели наружу
Для покупки товара в нашем интернет-магазине выберите понравившийся товар и добавьте его в корзину. Далее перейдите в Корзину и нажмите на «Оформить заказ» или «Быстрый заказ».
Когда оформляете быстрый заказ, напишите ФИО, телефон и e-mail. Вам перезвонит менеджер и уточнит условия заказа. По результатам разговора вам придет подтверждение оформления товара на почту или через СМС. Теперь останется только ждать доставки и радоваться новой покупке.
Оформление заказа в стандартном режиме выглядит следующим образом. Заполняете полностью форму по последовательным этапам: адрес, способ доставки, оплаты, данные о себе. Советуем в комментарии к заказу написать информацию, которая поможет курьеру вас найти. Нажмите кнопку «Оформить заказ».
Оплачивайте покупки удобным способом. В интернет-магазине доступно 3 варианта оплаты:
- Наличные при самовывозе или доставке курьером. Специалист свяжется с вами в день доставки, чтобы уточнить время и заранее подготовить сдачу с любой купюры. Вы подписываете товаросопроводительные документы, вносите денежные средства, получаете товар и чек.
- Безналичный расчет при самовывозе или оформлении в интернет-магазине: карты Visa и MasterCard. Чтобы оплатить покупку, система перенаправит вас на сервер системы ASSIST. Здесь нужно ввести номер карты, срок действия и имя держателя.
- Электронные системы при онлайн-заказе: PayPal, WebMoney и Яндекс.Деньги. Для совершения покупки система перенаправит вас на страницу платежного сервиса. Здесь необходимо заполнить форму по инструкции.
Экономьте время на получении заказа. В интернет-магазине доступно 4 варианта доставки:
- Курьерская доставка работает с 9.00 до 19.00. Когда товар поступит на склад, курьерская служба свяжется для уточнения деталей. Специалист предложит выбрать удобное время доставки и уточнит адрес. Осмотрите упаковку на целостность и соответствие указанной комплектации.
- Самовывоз из магазина. Список торговых точек для выбора появится в корзине. Когда заказ поступит на склад, вам придет уведомление. Для получения заказа обратитесь к сотруднику в кассовой зоне и назовите номер.
- Постамат. Когда заказ поступит на точку, на ваш телефон или e-mail придет уникальный код. Заказ нужно оплатить в терминале постамата. Срок хранения — 3 дня.
- Почтовая доставка через почту России. Когда заказ придет в отделение, на ваш адрес придет извещение о посылке. Перед оплатой вы можете оценить состояние коробки: вес, целостность. Вскрывать коробку самостоятельно вы можете только после оплаты заказа. Один заказ может содержать не больше 10 позиций и его стоимость не должна превышать 100 000 р.
Дополнительная вкладка, для размещения информации о магазине, доставке или любого другого важного контента. Поможет вам ответить на интересующие покупателя вопросы и развеять его сомнения в покупке. Используйте её по своему усмотрению.
Вы можете убрать её или вернуть обратно, изменив одну галочку в настройках компонента. Очень удобно.

